联系我们
设为首页
中 文
English
服务热线:+86-21-58150318
首页
关于宇飞
新闻中心
制造能力
产品中心
人才招聘
联系我们
加工咨询热线:
+86-21-58150318
产品展示
压铸产品展示
电动车轮毂生产线
产品系列尺寸表
序列
产品系列
设计图及尺寸表
(点击查看,点右健另存为保存。)
1
定子铁心:45、50
查看
2
JW系列卧式机座:56、63、71、71加长、71特长
查看
3
JW系列前盖:45、50、56、63、71
查看
4
JW系列电机后盖:56、63、71
查看
5
立式机身:56、63、71、71加长、71特长、71特特长
查看
6
立式前盖:45、50、56、63、71
查看
7
AO2系列卧式机座:71、80
查看
8
AO2系列立式机座:71、80
查看
9
AO2系列前端盖:71、80
查看
10
AO2系列后端盖:71、80
查看
11
AO2系列凸缘端盖(大法兰):71
查看
12
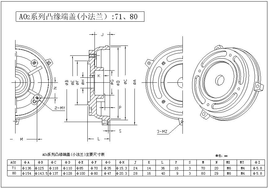
AO2系列凸缘端盖(小法兰):71、80
查看
13
YXJ系列机壳:63、71、80、8024P、90S、90L、90R、 90L1-4P
查看
14
YXJ系列前盖:63、71、80、90
查看
15
YXJ系列后端盖:63、71、80、90
查看
16
YXJ系列凸缘端盖(大法兰):63、71、80、90
查看
17
YXJ系列凸缘端盖(小法兰):63、71、80、90
查看
18
YCJ系列前端盖:71、80
查看
19
YCJ系列凸缘端盖(小法兰):63、71、80、90
查看
20
YCJ系列凸缘端盖(大法兰):71、80、90
查看
版权所有:上海宇飞金属制品有限公司
您是第 位访问者
备案/许可证编号为: 沪ICP备10034559号
地址: 上海市浦东新区周浦镇界浜窑墩路329号 邮编:201321 技术支持:
爱建网
电话:+86-21-58150318 传真:+86-21-58154974 E-mail:yufeico@163.com